聯系我們Contact Us

電 話 :0577-62711310
傳 真 :0577-62711377
郵 編 :325604
E-mail:13356192265@qq.com
|
產品簡介
一、適用范圍
DZ47電瓶車斷路器主要適用于交流50/60Hz,額定工作電壓為230V/400V及以下,額定電流至63A的電路中,該斷路器主要用于現代建筑物的電氣線路及設備的過載、短路保護,亦適用于線路的不頻繁操作及隔離。結構特征電瓶車斷路器由塑料外殼、操作機構、觸頭滅弧系統、脫扣機構等組成。外殼采用了高阻燃、高強度的特種塑料,抗沖擊能力強、重量輕。電瓶車斷路器操作機構的零件采用了高強塑料制品,在確保靈敏、可靠的同時獲得了最低的轉動慣量,使從短路故障開始到脫扣機構動作的時間很短。脫扣機構由雙金屬片過載反時限脫扣機構和短路瞬動電磁機構二部分組成。觸頭滅弧系統則采用特殊的導弧角和過道滅室,并具有顯著的限流特性。主要用于辦公樓,住宅和類似的建筑的照明、配電線路及設備的過載、短路保護、也可在正常情況下,作為線路不頻繁的轉換之用,該產品符合IEC60898和GB10963.1等標準的要求。泰西生產的DZ47高分斷小型斷路器(B型電瓶車斷路器)已經過國家CCC認證和CE認證。B型用于電瓶車保護;C型用于家居配電保護;D型用于電動機保護
二、型號及其規格

三、正常工作條件
周圍空氣溫度上限不超過正四十攝氏度;下限一般不超過負五攝氏度。在高于正四十攝氏度或低于負五攝氏度的條件下使用應與泰西電氣技術部聯系。安裝地點的海拔一般不超過兩千米高。
空氣是清潔的,并且在最高溫度正四十攝氏度時,空氣的相對濕度不得超過百分之五十。
在較低溫度下課允許較大的相對濕度,例如在正二十攝氏度時,相對濕度可達到百分之九十。
應該注意,由于溫度變化,可能偶爾產生適度的凝露,此時應采取適當的措施(例如排水孔)。
電瓶車斷路器垂直安裝,與垂直面的傾斜度不超過百分之五。
無顯著搖動和沖擊震動的地方。
若安裝于封閉防護外殼內,并多臺緊靠著安裝時應降容使用,降容系數可選0.7~0.8,對于金屬防護外殼可采用高值,對全塑防護外殼,則可采用低值!
四、主要參數及技術性能
主要規格:按額定電流ln分:6A、10A、16A、20A、25A、32A、40A、50A、63A。
按極數分(POLE):1P.單極; 2P.二極; 3P.三極; 4P.四極。
按斷路器瞬時脫扣器的形式分:a.C型(5ln~10ln); b.D型(10ln~16ln)。
機械電氣壽命:a.電氣壽命:不低于3000次; b.機械壽命:不低于8000次。
| 殼架等級額定電流lnm(A) | 額定電流ln(A) | 極數(P) | 額定電壓Ue(V) | 額定短路分斷能力lcn(A) |
| 63 | 6、10、16、20、25、32、40 | 1、2 | 230 | 4500~6000 |
| 2、3、4 | 400 | |||
| 50、63 | 1、2 | 230 | 3000~4500 | |
| 2、3、4 | 400 |
| 試驗 | 型式 | 試驗電流 | 起始狀態 | 脫扣或不脫扣時間極限 | 預期結果 |
| a | B、C、D | 1.13ln | 冷態 | t≤1h | 不脫扣 |
| b | B、C、D | 1.45ln | 緊接著a項 | t<1h | 脫扣 |
| c | B、C、D | 2.55ln | 冷態 | 1s<t<60s(ln≤32A) 1s<t<120s(ln>32A) |
脫扣 |
| d | B | 3ln | 冷態 | t≤0.1s | 不脫扣 |
| C | 5ln | ||||
| D | 10ln | ||||
| e | B | 5ln | 冷態 | t<0.1s | 脫扣 |
| C | 10ln | ||||
| D | 16ln |
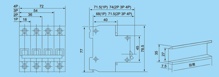
五、外形和安裝尺寸

六、注意事項
A級質量:紫銅配件、阻燃外殼、銀點B級質量:黃銅配件、普通塑料外殼、合金點
C級質量:鐵配件、普通塑料、銅點
如需A級質量,須在QQ或者電話里面講明質量情況,也可根據客戶的質量要求進行定制生產(需求量達到一定情況),C級質量比較差,我司基本上不怎么生產,因C質量不高、如需生產者請另外聯系!
DZ47小型斷路器常規報價按市場通用的B級質量報價,正常報價情況不含稅,如需開增值稅發票,另加10%個點的價格
另:我司承接大規模企業的外包加工生產。因小型斷路器利潤非常低,愿需求量較大的企業進行合作,我司生產經驗已有12年之久,絕對保障質量安全!
七、訂貨須知
訂貨時要標明下列各點:產品型號和名稱:如DZ47-63小型斷路器/DZ47電瓶車專用小型斷路器或者電瓶車保護空氣開關。
瞬時脫扣額定電流:如30A。
斷路器極數:如4P。
訂貨數量:如230只。
用途代號:B型(電瓶車斷路器); C型(配電用); D型(電動機保護用)。
訂貨舉例:DZ47-63小型斷路器,3P,32A,1500只,C型。

浙江泰西智能科技有限公司















