聯系我們Contact Us

電 話 :0577-62711310
傳 真 :0577-62711377
郵 編 :325604
E-mail:13356192265@qq.com
|
產品簡介
一、適用范圍
TXB7N-63高分斷新型小型斷路器經過泰西電氣多位技術人員長時間的摸索,結合現在電網及電力設備的要求,研發制造的新型斷路器,該產品具有過載和斷路雙重保護特性,滅弧結構與DZ47型斷路器不同,該新型斷路器具有結構先進、引弧快、燃弧短、性能可靠、分斷能力高、外形小巧等特點,殼體和三部件采用耐沖擊、高阻燃材料構成。適用于交流50Hz或60Hz,額定電壓在230V/400V以下,額定電流為63A以下電力線路設施的場所。主要用于辦公樓,住宅和類似的建筑物的照明、配電線路及設備的過載、短路保護、也可在正常情況下,作為線路不頻繁的轉換之用,該產品符合IE60898和GB10963.1等標準的要求。二、型號及其規格

三、正常工作條件
周圍空氣溫度上限不超過正四十攝氏度;下限一般不超過負五攝氏度。在高于正四十攝氏度或低于負五攝氏度的條件下使用應與泰西電氣技術部聯系。安裝地點的海拔一般不超過兩千米高。
空氣是清潔的,并且在最高溫度正四十攝氏度時,空氣的相對濕度不得超過百分之五十。
在較低溫度下課允許較大的相對濕度,例如在正二十攝氏度時,相對濕度可達到百分之九十。
應該注意,由于溫度變化,可能偶爾產生適度的凝露,此時應采取適當的措施(例如排水孔)。
斷路器垂直安裝,與垂直面的傾斜度不超過百分之五。
無顯著搖動和沖擊震動的地方。
若安裝于封閉防護外殼內,并多臺緊靠著安裝時應降容使用,降容系數可選0.7~0.8,對于金屬防護外殼可采用高值,對全塑防護外殼,則可采用低值!
四、結構特征
TXB7N系列新型高分斷小型斷路器內的零部件由塑料外殼定位。外殼采用阻燃型、耐電弧高強度新型塑料制成,耐沖擊強度和阻燃性能良好。觸頭系統采用電動斥力結構,限流效果顯著,大大提高了斷路器的分段能力。脫扣器采用螺管式電磁脫扣,整定電流準確穩定。多極產品由單極拼裝而成。TXB7N系列新型小型斷路器適用于未受過專業訓練的人員使用,無需進行維修。過電流脫扣器的保護特性出廠前已經整定,用戶使用中不可能調整,以免影響性能。
TXB7N系列新型斷路器可內置各種附件,如分勵脫扣器、過欠壓保護裝置、可改裝直流斷路器等。
采用導線接線方式,最大可接25mm2圓銅導線。采用TH35-7.5型標準鋼安裝導軌進行安裝。
五、結構說明
TXB7N新型小型斷路器的主觸點是靠手動操作或電動合閘的。主觸點閉合后,自由脫扣機構將主觸點鎖在合閘位置上。過電流脫扣器的線圈和熱脫扣器的熱元件與主電路串聯,欠電壓脫扣器的線圈和電源并聯。當電路發生短路或嚴重過載時,過電流脫扣器的銜鐵吸合,使自由脫扣機構動作,主觸點斷開主電路。當電路過載時,熱脫扣器的熱元件發熱使雙金屬片上彎曲,推動自由脫扣機構動作。當電路欠電壓時,欠電壓脫扣器的銜鐵釋放。也使自由脫扣機構動作。分勵脫扣器則作為遠距離控制用,在正常工作時,其線圈是斷電的,在需要距離控制時,按下起動按鈕,使線圈通電,銜鐵帶動自由脫扣機構動作,使主觸點斷開。六、主要參數及技術性能
主要規格:按額定電流ln分:6A、10A、16A、20A、25A、32A、40A、50A、63A。
按極數分(POLE):1P.單極; 2P.二極; 3P.三極; 4P.四極。
按斷路器瞬時脫扣器的形式分:a.B型(3ln~6ln);b.C型(5ln~10ln); c.D型(10ln~20ln)。
機械電氣壽命:a.電氣壽命:不低于4000次; b.機械壽命:不低于10000次。
| 殼架等級額定電流lnm(A) | 額定電流ln(A) | 極數(P) | 額定電壓Ue(V) | 額定短路分斷能力lcn(A) |
| 63 | 6、10、16、20、25、32、40 | 1、2 | 230 | 6000 |
| 2、3、4 | 400 | |||
| 50、63 | 1、2 | 230 | 4500 | |
| 2、3、4 | 400 |
| 試驗 | 型式 | 試驗電流 | 起始狀態 | 脫扣或不脫扣時間極限 | 預期結果 |
| a | B、C、D | 1.13ln | 冷態 | t≤1h | 不脫扣 |
| b | B、C、D | 1.45ln | 緊接著a項 | t<1h | 脫扣 |
| c | B、C、D | 2.55ln | 冷態 | 1s<t<60s(ln≤32A) 1s<t<120s(ln>32A) |
脫扣 |
| d | B | 3ln | 冷態 | t≤0.1s | 不脫扣 |
| C | 5ln | ||||
| D | 10ln | ||||
| e | B | 5ln | 冷態 | t<0.1s | 脫扣 |
| C | 10ln | ||||
| D | 20ln |
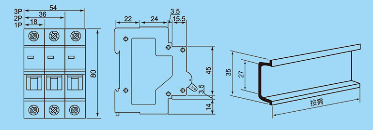
七、外形和安裝尺寸

八、選購安裝
現代家居用電應按照明回路、電源插座回路、空調回路、分開布線,當其中一個回路(如插座回路)出現故障時,其他回路仍可以正常供電。插座回路須安裝漏電保護裝置,防止家用電器漏電造成人身電擊事故。1、住戶配電箱總開關一般選擇雙極32-63A小型斷路器或隔離開關。
2、照明回路一般16-32A小型斷路器。
3、插座回路一般選擇10-16A的漏電保護斷路器。
4、空調回路一般選擇16-25A小型斷路器。
5、采用雙極或1P+N(火線+零線)雙線斷路器,當線路出現短路或漏電故障時,立即切斷電源的火線和零線,確保人身安全及用電設備的安全。以上選擇僅供參考,每戶的實際用電器功率不一樣,具體選擇要按電工設計為準。
九、訂貨須知
訂貨時要標明下列各點:產品型號和名稱:如TXB7N-63新型斷路器/TXB7N小型斷路器。
瞬時脫扣額定電流:如25A。
斷路器極數:如2P。
訂貨數量:如50只。
訂貨舉例:TXB7N-63小型斷路器,2P,50A,500只。
浙江泰西智能科技有限公司














