聯系我們Contact Us

電 話 :0577-62711310
傳 真 :0577-62711377
郵 編 :325604
E-mail:13356192265@qq.com
|
產品簡介
一、適用范圍
HL30-100隔離開關(HL30小型隔離開關)適用于交流50Hz或60Hz,額定工作電壓230V或400V及以下的配電和控制回路中,電流至100A配電裝置的上方與電源之間作無負載分合。主要作為終端電器的總開關、也可用于控制各類電動機、小功率電器、照明等場所。機械電氣壽命為10000次,其中電氣壽命6000次。HL30小型隔離開關符合GB14048.3和IEC947-3等標準要求。
二、型號及其規格

三、使用環境以及工作條件
◆ 周圍空氣溫度-5攝氏度~+40攝氏度,平均溫度不超過+35攝氏度。◆ 海拔高度不超過2000m。
◆ 大氣相對溫度+40度量不超過50%,最濕月為90%。
◆ 污染等級為II級。
◆ 使用類別AC-22A。
◆ 安裝形式采用TH35-7.5型鋼安裝軌安裝,其它裝面與身垂直傾斜度不直過五度。
四、結構特點
HL30小型隔離開關觸頭系統采用雙斷點直動結構,大電流選用二組平行和觸頭聯,既增加了電流容量,又充分利用電動力補償。同時手柄操作機構彈簧儲能實現快速通斷。克服了人力操作速度慢的影響,大大提高了工作的可能性,觸頭開閉狀態有醒目包標顯示,可防止誤操作,提高了安全性。五、主要技術參數
| 額定電流(A) | 32、63、100 |
| 極數(P) | 1、2、3、4 |
| 額定工作電壓(V) | 單相230 |
| 三相400 | |
| 額定短時耐受電流 | 12le,通電時間為1s |
| 額定短路接通能力 | 20le,通電時間為0.1s |
| 額定接通與分斷能力 | 3le,1.05Ue,cosφ=0.65 |
| 操作性能 | 空載8500次,有載1500次,共10000次 |
六、安裝與使用
■ 安裝時按圖示位置卡入安裝軌,手柄上推為接通,指示標牌為紅色;手柄下拉為斷開,指示標牌為綠色。
■ 電源進線從開關上方接入,下端接出線,銅導線應擰緊,不得松動脫出,或銅線裸露在接線端外。
■ 通電前,先人工操作幾次開關,應靈活可靠,無阻滯現象。
■ HL30小型隔離開關在使用、貯存、運輸等過程中,均不得受雨水侵襲。
■ HL30小型隔離開關在一定時間內能承載非正常電路條件下的(短路)電流,也可不頻繁通斷適當的過載,但不能用來分斷故障電流。
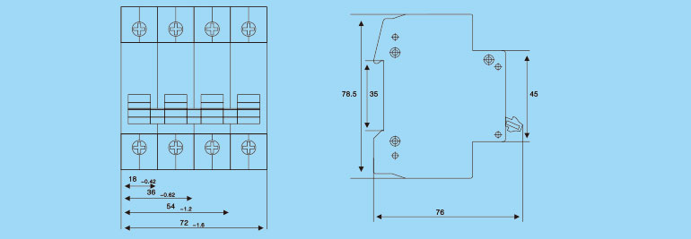
七、外形和安裝尺寸

八、訂貨須知
訂貨時要標明下列各點:
產品型號和名稱:如HL30小型隔離開關
額定電流:100A。
極數:3P
訂貨數量:如8888只。
訂貨舉例:HL30小型隔離開關,100A,3P,777只。
浙江泰西智能科技有限公司
















