聯系我們Contact Us

電 話 :0577-62711310
傳 真 :0577-62711377
郵 編 :325604
E-mail:13356192265@qq.com
|
產品簡介
一、概述
TXAFLE-63電弧故障斷路器(Arc Fault Circuit Interrupter ,簡稱AFCI,也稱為AFDD故障電弧探測器)技術是一項最新的電路保護產品,其主要功能是檢測和辨別危險的接地電弧故障、并聯電弧故障和串聯電弧故障,并及時驅動使電流斷開的裝置動作避免發生電氣火災。發生故障電弧時,由于電流強度較小,低于電力系統特別是低壓配電領域廣泛安裝的過電流保護的設定值,在配電線路終端安裝AFCI電弧故障斷路器能及時發現電弧并切斷電路,有效減小電弧造成損失的措施 。AFDD故障電弧斷路器是一種智能化的電路保護器,MCB和RCCB一體化設計,它可以檢測并識別線路中的故障電弧和正常工作電弧。預防電氣線路中接觸不良、絕緣不良等故障電弧引起的火災隱患。集故障電弧保護、過載保護、短路保護、過壓保護、浪涌抑制、漏電保護與一體。。
二、領域及用途
AFCI電弧故障斷路器,AFDD故障電弧探測器主要安裝在終端配電系統的配電箱中,也可以安裝在家庭、辦公室、各種大型超市、百貨商場、醫院、 飛機場、紡織廠、庫房、油庫、煉油廠、娛樂場所、酒店、石油運輸管道等各個控制點等場合,凡是有用電的地方都可以安 裝使用該裝置,廣泛用于電氣防火。三、產品特點
AFDD故障電弧探測器采用嵌入式系統數字電路控制和獨創性的電弧特征識別算法,體積小功能強,實現故障電弧的自動監測和防護,有效地保障低壓配電線路和用電設備以及人身的安全。采用線電流時域典型特征檢測與頻域FFT相結合的故障電弧綜合檢測方法,實現時域和頻域同時定位。
◆其功能特點具體如下:
(1)具有自動控制和人工控制功能;
(2)具有檢測和辨別危險的接地電弧故障、并聯電弧故障和串聯電弧故障的功能;
(3)具有及時驅動使電流斷開的裝置動作避免發生電氣火災的功能;
(4)具有檢測過流、短路、過壓等諸多功能;
(5)具有故障記憶功能,便于故障查詢、分析;
(6)具有指示燈報警功能
(7)具有多個額定電流、電壓的功能
(8)具有單極額定接通和分斷功能
(9)具有顯示故障結果的功能
(10)具有自由脫扣功能
(11)具有防銹、耐潮濕,電擊防護功能
◆與分立元件電器構成的系統相比,具有控制與保護自配合的特性
AFDD故障電弧探測器集控制與保護護功能于一體,相當于電弧檢測識別器+斷路器。很好地解決了分立元件間保護與控制特性的匹配問題,使保護與控制特性配合更完美合理。
◆與斷路器、熔斷器相比具有對電弧檢測和保護的特性
以斷路器和熔斷器為基礎的常規短路保護機構,只能在短路容量很小電網時,才能滿足設備功能保護,而發生電弧故障時由于電流強度較小,低于目前電力系統特別是低壓配電領域廣泛安裝的過流保護設定值,因此不能對電弧故障進行全面防護。
◆與傳感器檢測電弧裝置相比具有全面檢測的特性
由于利用AFDD故障電弧探測器傳感器檢測電弧參數時,必須安裝在故障電弧發生的位置,這就給全面檢測供電線路中的故障電弧帶來了不便,而 AFDD很好地解決了這點。
◆與剩余電流保護器(RCD)相比具有實時性
在發生串聯和并聯電弧故障時,故障阻抗降低了負載電流,使得電流低于RCD的脫扣值,導致RCD不能實時迅速脫扣。
四、型號及其含義

五、產品優勢
● 帶漏電保護功能,極大地提高了用電安全的可靠性。● 對電磁機構進行技術改進,在材料和工藝上以及電子線路進行處理,避免了以前電磁鐵長時間工作發熱、溫度過高、大大降低了電磁鐵的工作溫度,從而提高了使用壽命。
● 適用于各種類型的負載,穩定性高。
● 故障電弧斷路器額定工作電流最高可達63A。
● 采用高性能的單片機為系統設計,實現數字化控制。
● 專用電磁式脫扣機構,極大提高了過流保護的精度。
● 發生電弧故障時,MCU內部進行多重判斷,當所有特征都吻合后,才會進行脫扣動作。
● 產品適用范圍廣,住戶、企業、醫院、學校及科研單位。
● 一體化:將短路保護、漏電保護、電弧保護結合成一體
● 穩定:不會因抑制性負載或EMI負載的屏蔽而影響其檢測能力
1● 多域檢測:時域、頻域
● 安裝方式靈活:插入式、螺栓式、導軌式安裝。
六、主體結構
主體:AFCI電弧故障斷路器主要有斷路器模塊、漏電模塊、電源模塊、信號調理模塊、脫扣器模塊和通訊接口模塊等組成。
◆ 電源模塊:向AFDD(電弧故障檢測裝置)內的相關器件供電。
◆ 信號調理模塊:通過線電流互感器將主回路中的電流信號通過信號調理模塊,信號調理模塊通過對該信號進行放大、整流、濾波然后送至單片機處理。
◆ 脫扣器模塊:AFCI電弧故障斷路器中,脫扣器模塊的電磁結構部分采用了新型的節能技術,將開關電磁系統的鐵芯損耗和短路損耗降至最低,最大程度的節約了電能。增加了緩沖裝置以減少電磁系統的額能量沖擊,從而提高了開關的吸合性能,延長了使用壽命。脫扣器模塊的操作機構能接收來自主控芯片MCU檢測到的故障信號,通過控制觸點切斷線圈回路,由電磁機構分斷主電路。故障排除后打開操作按鈕復位。
◆ 通訊接口模塊:通過該模塊可以把電流、電壓、電流相位、電弧信號等數據實時傳送到終端計算機,可以實現遠程監控。下圖就是發生串聯電弧時,MCU將數據信息發給上位機的電流數據信息。數據處理模塊借助自主研發的專用AFDD故障電弧探測器上位機開發平臺進行數據分析及特征參數提取。建立PC模擬器,在PC端對算法進行預仿真,執行語言與微處理器通用。
七、工作原理
AFCI故障電弧斷路器的主控芯片MCU實時檢測主回路中的電流信號,當檢測到主回路中發生故障電弧時,單片機發出脫扣信號,脫扣電路實施脫扣操作。
過載及其他保護:AFCI故障電弧斷路器的主控芯片MCU也會實時檢測主回路中的過載、漏電、欠壓、過壓、過流等故障時發出故障信號給脫扣器,將電路斷開,實現保護操作。
| 符合標準 | IEC/EN62606, IEC/EN61009 | |
| 額定工作電壓 | AC 230V / AC 110V | |
| 額定頻率 | 50Hz / 60Hz | |
| 額定電流(In) | 6,10,16,20,25,32,40,50,63A | |
| 極數 | 1P / 2P | |
| 額定沖擊耐受電壓Uimp | 4KV | |
| 額定短路分段能力 | 4.5KA | |
| 額定脫扣電流In | 10mA~50mA可調 | |
| 額定不脫扣電流Ino | 0.5In | |
| 脫扣曲線 | 0.5In | |
| 動作類型 | 瞬時,延時,帶選擇性 | |
| 漏電類型 | AC,A | |
| 過電壓可調范圍 | 250-280V | |
| 欠電壓可調范圍 | 180-120V | |
| 通訊方式 | RF2.4G CAN BUS | |
| 基本保護功能 | 能及時切斷負載供電線路中產生短路、過載、電弧及漏電故障電源 | |
| 其他功能特性 | 具有LED狀態指示燈、故障記憶、負載(>2A時)LED指示功能、漏電警示功能、能夠實現無線組網及電能管理功能 | |
| 壽命 | 電氣壽命 | ≥3000操作周期 |
| 機械壽命 | ≥10000操作周期 | |
| 防護等級 | IP20 | |
| 防護等級(配電箱內) | IP40 | |
| 運行溫度 | -20℃ ~ + 45℃ | |
| 儲存于運輸溫度 | -35℃ ~ + 60℃ | |
| 端子接線能力 | 1-25mm2 | |
八、使用與維護
1、AFCI電弧故障斷路器的漏電、過載和保護特性均由制造廠家制定好,用戶可以直接安裝,不能打開后蓋隨意調整。
2、AFCI電弧故障斷路器的試驗按鈕的作用在于新安裝時,當在接通狀態下按動實驗按鈕或在運行一定的時間后,每月按動試驗按鈕一次,檢驗漏電保護特性是否可靠。當處于接通狀態下,綠燈亮起,紅燈熄滅;按下漏電實驗按鈕后脫扣器脫扣,表明AFCI電弧故障斷路器是正常的,否則AFDD電弧故障斷路器是壞的,換新的使用。
3、AFCI電弧故障斷路器因保護電路發生故障(電路電弧、接觸不良、線路破損、漏電、過流、過載、短路)而分斷,應查明原因,排除故障后AFCI的手柄置于ON位置,接通電路。
4、見基本接線圖:本產品不允許電源從輸出端進入。
5、AFCI電弧故障斷路器不對同時接觸被保護電路兩線所引起的觸電危險進行保護。
6、接線見基本接線圖:接線時進線和出線一定要注意是左零線右火線的安裝方式,同時確保接線端子一定要壓緊。
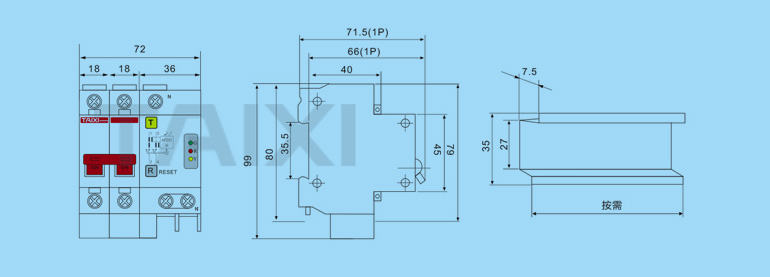
九、外形與安裝尺寸

浙江泰西智能科技有限公司






