聯系我們Contact Us
地 址 :
浙江省樂清市柳市鎮尚宅工業區
銷 售 :13356192265(徐) 
電 話 :0577-62711310
傳 真 :0577-62711377
郵 編 :325604
E-mail:13356192265@qq.com
MSN :
網 址 :m.bjl777.cc
|
產品簡介
概述以TXCPS作為主開關,與機械聯鎖和電氣聯鎖附件組合,構成星三角減壓起動器TXCPSJ,適用于電動機的可逆型或雙向控制與保護。主電路參數和附件模塊同基本型。
產品型號各部分的含義如下

產品外形尺寸

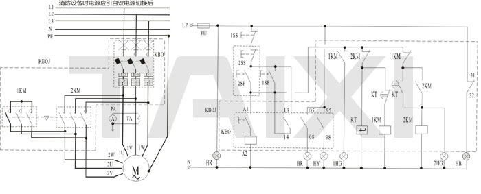
電動機可逆運轉控制電路圖

| 二次電源 | 電源保護 | 電源保護 | 降壓啟動及報警信號 | 延遲轉換 | 全壓運行及 運行信號 |
停止信號 | ||||
| 就地與遠距離兩地手動控制 | 短路 | 故障 | 啟動 | 降壓延時 | ||||||
注:
①、本圖適用于單臺電動機(45KW及以下)星三角減壓啟動采用就地與遠距離兩地手動控制。
②、星三角減壓啟動器的造型由工程設計決定,詳見本圖集第9-15頁。
③、外引啟.停按鈕可在箱面上或墻面上安裝。
| 序號 | 符號 | 名稱 | 型號及規格 | 數量 | 備注 |
| 1 | TA | 電流互感器 | 工程設計決定 | 1 | |
| 2 | PA | 電流表 | 工程設計決定 | 1 | |
| 3 | FU | 熔斷器 | RT18-32X/4A | 1 | 帶熔斷指示 |
| 4 | CPSJ | 星三角減壓啟動器 | CPSJ-□□/M□/02M | 1 | |
| 5 | 1SF,1SS | 啟.停按鈕 | LAY3(1常開1常閉) | 2 | 紅綠色各一 |
| 6 | 1、2HG | 綠色信號燈 | AD11-22/20~220V | 1 | |
| 7 | HR | 紅色信號燈 | AD11-22/20~220V | 1 | 按需要增減 |
| 8 | HB | 藍色信號燈 | AD11-22/20~220V | 1 | 按需要增減 |
| 9 | HY | 黃色信號燈 | AD11-22/20~220V | 1 | 按需要增減 |
| 10 | HW | 白色信號燈 | 工程設計決定 | 1 | 按需要增減 |
| 11 | 2SF,2SS | 外引啟、停按鈕組 | AD11-22/20~220V | 1 |
浙江泰西智能科技有限公司





